By Isabela Issa
Dec 01, 2016
Energy Efficiency
These are electronic devices capable of regulating the frequency of alternating current electrical energy and, therefore, the rotation speed and torque of electric motors, according to the demand of a given system, aiding in energy management. They are also called frequency inverters or simply inverters.
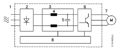
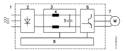
The VFD can be separated into 5 components: a network rectifier, which converts alternating current into direct current; reactors that filter the circuit voltage, increase the power factor and can reduce harmonics; a capacitor bank; a control circuit; and finally, an inverter, which converts direct current into alternating current for the motor input.

Block Diagram of a Frequency Inverter. Source: Danfoss.
The name frequency inverter comes from the English terms “Variable Frequency Drive (VFD)” or “Variable Speed Drive (VSD)”, while frequency converters and terms are the nomenclatures usually used for these devices here in Brazil. The different names do not represent technical differences in the products.
In construction, the devices are normally used in Secondary Chilled Water Pump (BAG) motors, fan coils, thermal towers and other types of fans and motors. In industry, they are widely used in various types of pumps, compressors, hydraulic turbines and motors for processing and transporting products. The range of applications is so wide that it can be used to control, for example, submersible oil removal pumps.
Depending on the case, it is possible to equip a motor to operate at variable load with or without using VFDs. Mechanical (gearboxes), hydraulic, change in impeller diameter of pumps/fans, among others, are options that can also be used to improve energy efficiency in industries and buildings. In each case, the pros, cons, investment and, mainly, the potential for cost reduction through energy savings must be analyzed.
The frequency inverter with inversion must be associated with asynchronous motors. In other words, alternating current (AC) electric motors that use the current generated in their rotor.
Yes, in many cases, when it is not necessary for the motor to always work at its maximum capacity. With this device, it is possible to adjust the motor speed according to the system's needs. This, of course, translates into energy savings.
In applications for pumping liquids and ventilating air or other gases, a reduction of, for example, 30% in motor rotation can represent a 66% reduction in power at the motor shaft. This relationship is given by the “layer laws”, conceptualized in fluid mechanics and exhaustively tested by hydraulic equipment manufacturers.

The operation of the drives, together with the appropriate instrumentation, allows us to obtain the best speed for the conditions required by the system at any given time. This translates directly into energy savings whenever the speed may be lower than the maximum.
A very common error seen in our energy auditoriums is the inadequate use of the automation of this system. Due to lack of knowledge, many operators end up “locking” the drives at the fixed frequency of 60Hz, or at the motor design condition, which is contrary to the logic of the VFD. This is an unacceptable practice and demonstrates the lack of energy management and ends up causing the inverter to not save any energy.
We have also seen cases of drives operating at fixed frequencies lower than 35Hz. This procedure is particularly serious as it can damage or reduce the lifespan of the engine, as well as significantly reduce the efficiency of pump, fan and compressor systems. It is necessary to check the ideal operating range for each engine according to the manufacturer's manual. If a motor is always operating well below its capacity, it may have been oversized.
There is no point in buying a VFD if its detection is not working properly.
The combination of inverters and adequate equipment selection, system protection design, use of high-efficiency motors, among other good engineering, operation and maintenance practices, is what guarantees improvements in the energy efficiency of facilities.
A practical example: in one of our clients in the commercial sector, just by unlocking the frequency inverters in the Chilled Water Pumps (BAGs), we estimate savings of 47,910 kWh/year. This value would be equivalent to R$ 27,472 per year, an example of a zero-cost measure with immediate savings.

With the collaboration of André De Dominicis and Hamilton Ortiz